Product Advantages
- High Efficiency: Canadian 450W solar panels are designed to offer a high level of efficiency, meaning they can convert a greater amount of sunlight into usable energy. This translates into greater electricity generation and lower costs over the long term.
- Low Cost: Despite their high efficiency, Canadian 450W solar panels are priced competitively, making them a cost-effective option for homeowners and businesses looking to reduce their energy bills.

- Long Lifespan: These solar panels have a long expected lifespan, typically lasting well over 25 years. This means they offer a longer term return on investment compared to other solar panels that may require replacement after a shorter period.
- Strong Durability: Canadian 450W solar panels are built to withstand extreme weather conditions. They are engineered to be wind-resistant, snow-resistant, and able to handle temperature fluctuations, ensuring long-lasting performance in any climate.
- Environmental Benefits: By generating clean energy, Canadian 450W solar panels contribute to reducing greenhouse gas emissions and preserving the environment. This renewable energy source helps combat climate change and reduces our dependence on fossil fuels, providing a sustainable alternative for energy generation.

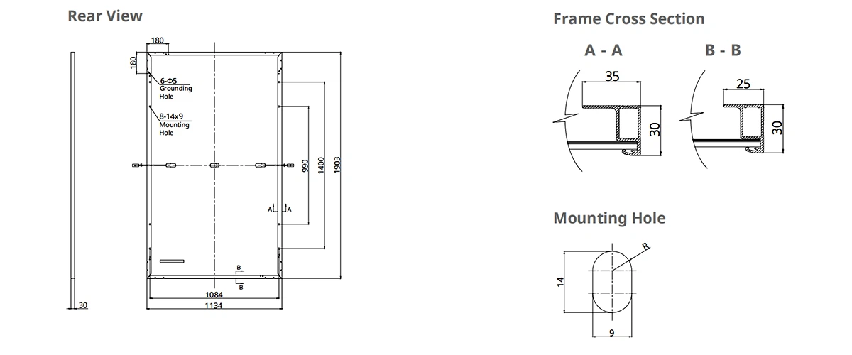
Engineering Drawing (mm)

Mechanical Data
|
Cell Type |
Mono-crystalline |
|
Cell Arrangement |
120 [2 X (10 X 6) ] |
|
Dimensions |
1903 ˣ 1134 ˣ 30 mm (74.9 ˣ 44.6 ˣ 1.18 in) |
|
Weight |
24.2 kg (53.4 lbs) |
|
Front Cover |
3.2 mm tempered glass with anti-reflective coating |
|
Frame |
Anodized aluminium alloy |
|
J-Box |
IP68, 3 bypass diodes |
|
Cable |
4 mm² (IEC), 12 AWG (UL) |
|
Connector |
T6 or MC4 or MC4-EVO2 or MC4-EVO2A |
|
Cable Length (Including Connector) |
Portrait: 350 mm (13.8 in) (+) / 250 mm (9.8 in) (-); landscape: 1100 mm (43.3 in) |
|
Per Pallet |
36 pieces |

Electrical Parameters At STC
|
CS6L |
445MS |
450MS |
455MS |
460MS |
465MS |
|
Max Power (Pmax) |
445W |
450W |
455W |
460W |
465W |
|
Operating Voltage (Vmp) |
34.2V |
34.4V |
34.6V |
34.8V |
35.0V |
|
Operating Current (Imp) |
13.03A |
13.10A |
13.17A |
13.24A |
13.30A |
|
Open Circuit Voltage (Voc) |
40.8V |
41.0V |
41.2V |
41.4V |
41.6V |
|
Short Circuit Current (Isc) |
13.86A |
13.9A |
13.95A |
14.00A |
14.09A |
|
Module Efficiency |
20.6% |
20.9% |
21.1% |
21.3% |
21.5% |
|
Operating Temperature |
-40°C ~ +85°C |
||||
|
Max. System Voltage |
1500V (IEC/UL) or 1000V (IEC/UL) |
||||
|
Module Fire Performance |
TYPE 1 (UL 61730 1500V) or TYPE 2 (UL 61730 1000V) or CLASS C (IEC 61730) |
||||
|
Max. Series Fuse Rating |
25 A |
||||
|
Application Classification |
Class A |
||||
|
Power Tolerance |
0 ~ + 10 W |
||||

Electrical Parameters At NOCT
|
CS6L |
445MS |
450MS |
455MS |
460MS |
465MS |
|
Max Power (Pmax) |
334 W |
338 W |
341 W |
345 W |
349 W |
|
Operating Voltage (Vmp) |
32.1V |
32.2V |
32.4V |
32.6V |
32.8V |
|
Operating Current (Imp) |
10.41A |
10.47A |
10.52A |
10.58A |
10.63A |
|
Open Circuit Voltage (Voc) |
38.6 V |
38.8 V |
38.9 V |
39.1 V |
39.3 V |
|
Short Circuit Current (Isc) |
11.18A |
11.21A |
11.25A |
11.29A |
11.36A |
|
Temperature Coefficient (Pmax) |
-0.34 % / °C |
||||
|
Temperature Coefficient (Voc) |
-0.26 % / °C |
||||
|
Temperature Coefficient (Isc) |
0.05 % / °C |
||||
|
Operating Temperature |
41 ± 3°C |
||||

Brand Cooperation
Jingsun is proud to announce partnerships with several top-tier solar companies in the industry. These partnerships have allowed us to expand our product offerings and provide customers with a wider range of high-quality solar products. By collaborating with these established solar brands, we have been able to leverage their expertise and industry-leading technology to enhance our own product line. Our partnerships with these frontrunners in the solar industry not only bring new solutions to customers, but also demonstrate Jingsun's commitment to quality and innovation. With the help of our trusted partners, we are excited to continue to advance the adoption of solar energy and contribute to a sustainable future.

FAQ
Q: What is the maximum power output of the Canadian 450W solar panel?
Q: What kind of warranty does the Canadian 450W solar panel come with?
Q: Can the Canadian 450W solar panel be used in both residential and commercial settings?
Q: Does the Canadian 450W solar panel require a lot of maintenance?
Q: What is the lifespan of the Canadian 450W solar panel?




